Способы расширения адресного пространства микропроцессора.
Известно, что размер адресного пространства определяется разрядностью счётчика команд
микропроцессора. Достаточно часто при развитии микропроцессорной системы возможности адресного
пространства исчерпываются. В таком случае приходится прибегать к методам расширения адресного
пространства.
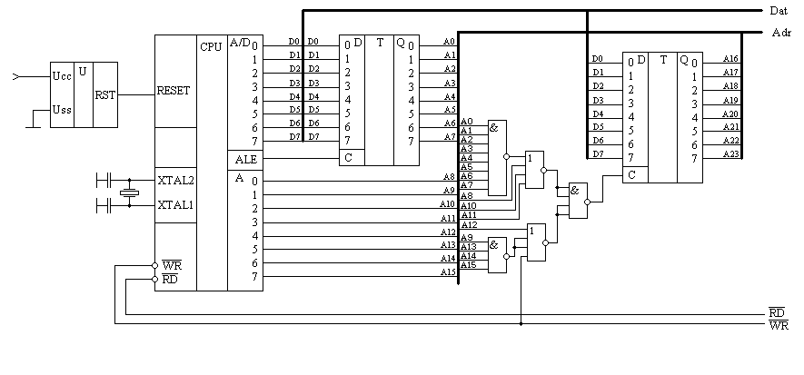
Для расширения адресного пространства можно воспользоваться параллельным портом.
Внешние выводы параллельного порта при этом используются в качестве старших битов адресной шины.
Такой метод расширения адресного пространства называется страничным методом адресации.
Регистр данных параллельного порта при использовании его для расширения адресного пространства
будет называться переключателем страниц. Схема использования параллельного порта в качестве
переключателя страниц памяти приведена на рисунке 4.

В этой схеме параллельный порт используется в качестве простейшего контроллера памяти
микропроцессорного устройства. При применении восьмиразрядного параллельного порта в
микропроцессорной системе появились дополнительные восемь линий адреса. В результате адресное
пространство микропроцессорной системы увеличилось до 16 Мегабайт. Структура нового адресного
пространства приведена на рисунке 5, а принцип формирования нового адреса с использованием
переключателя страниц приведён на рисунке 6.


Метод страничной адресации прост в реализации и при формировании адреса физической памяти не
приводит к дополнительным временным задержкам, но при использовании многозадачного режима
работы процессора для каждой активной задачи выделяется целая страница в системной памяти
микропроцессора. При такой работе в системной памяти процессора остаётся много неиспользуемых
областей. Решить возникшую проблему позволяет метод сегментной организации памяти.
При сегментном методе организации памяти для расширения адресного пространства используется
базовый регистр, относительно которого производится адресация команд или данных в программе.
Разрядность базового регистра обычно выбирают равной разрядности счётчика команд. В качестве
базового регистра, как и при страничной организации памяти, можно использовать параллельный порт.
Для формирования физического адреса используется параллельный
двоичный сумматор. На входы
этого сумматора подаётся содержимое базового регистра и содержимое счётчика команд.
Суммирование производится со смещением содержимого базового регистра влево на несколько бит
относительно счётчика команд (рисунок 8). В результате максимальный размер сегмента
определяется разрядностью программного счётчика, а максимальная неиспользуемая область памяти —
смещением базового регистра относительно программного счётчика.
Адресное пространство при использовании сегментного метода адресации приведено на рисунке 7.

Типы FSB
BSB – объединяет процессор с кэшем второго уровня, где применяется двойная шина DIB.
GTL и GTL+ – логика с частотой до 1,6 ГГц. Первая разработана для процессоров Pentium II и отличается работой при пониженном напряжении, чем экономит электрическую энергию. Вторая – её усовершенствование – создана для Pentium IV.
DMI – разработка Intel для объединения мостов материнских плат с сокетом LGA 1156 с встроенным контроллером памяти. Пропускная способность достигает 2 ГБ/с.
QPB – наиболее распространённая FSB, способная передавать 4 блока информации либо пару адресов за один такт. При ширине 64 бита за такт пересылает до 256 бит или 32 байт информации. Обеспечивает пропускную способность – до 8,5 ГБ/с.
HyperTransport – высокоскоростная двунаправленная последовательно-параллельная FSB от AMD с мизерными задержками. Отличается оригинальной схемой соединений, способами объединения тоннелей и мостов.
QuickPath Interconnect (QPI) – последовательная FSB от Intel для объединения процессоров в мультипроцессорных системах, переноса данных между ЦП и чипсетом. Создана как альтернатива HyperTransport. Применяется на материнских платах с сокетами LGA 1366 и 1156.
Остальные интерфейсы вроде MCA, EISA, ISA устарели.
К локальным шинам относят PCI, PCIe, USB, SATA.
Ht link frequency что это
#HyperTransport1. Что такое технология HyperTransport?
Технология HyperTransport (ранее известная как LDT, Lightning Data Transport, сейчас часто называется просто «HT») – это разработанная консорциумом HyperTransport Technology (во главе с компанией с AMD) шина для высокоскоростной пакетной связи с низкими задержками, построенная по схеме «точка-точка», которая позволяет микросхемам передавать данные с максимальной скоростью до 41.6 Гб/c (для 32-битного варианта версии 3.0). Масштабируемость её архитектуры способна упростить внутрисистемные соединения путем замены некоторых существующих шин и мостов, а также путем снижения количества узких мест и задержек внутри системы.
MCA (архитектура микроканалов)
IBM разработала эту шину в качестве замены для ISA, когда они разработали ПК PS / 2, выпущенный в 1987 году.
Автобус предложил ряд технических улучшений по сравнению с шиной ISA. Например, MCA работал на более высокой скорости 10 МГц и поддерживал 16-битные или 32-битные данные. Также поддерживается мастеринг шин — технология, которая размещает мини-процессор на каждой плате расширения. Эти мини-процессоры контролировали большую часть передачи данных, позволяя процессору выполнять другие задачи.
Одним из преимуществ MCA было то, что подключаемые карты были программно настраиваемыми; это означает, что они требовали минимального вмешательства пользователя при настройке.
Шина расширения MCA не поддерживала карты ISA, и IBM решила взимать роялти с других производителей за использование этой технологии. Это сделало его непопулярным, и сейчас это устаревшая технология.
Что такое частота шины процессора и как она влияет на работу?
Всем привет! Сегодня разберем тему – частота шины процессора: что это за параметр и на что он влияет. А также для чего нужна шина и как она работает.

Центральный процессор — самый резвый компонент компьютера. Скорость его работы измеряется уже в гигагерцах, то есть миллионах вычислительных операций в секунду. Прочие компоненты уже подстраиваются под CPU, фактически обеспечивая его эффективную эксплуатацию.
Со всеми компонентами ЦП связан с помощью последовательной шины на системной плате типа DMI (Direct Media Interface). Называется она FSB — сокращенно от Front Side Bus.
Не буду слишком углубляться в дебри и расписывать в целом, как работает каждый из компонентов компьютера — акцентируем внимание именно на шине. Единственная ее задача — транспортировать данные, которые обрабатывает CPU, к прочим деталям ПК
А насколько быстро это будет происходить, и определяется ее базовой частотой. Обычно FSB оборудована контроллером, с помощью которого можно снизить или поднять ее частоту.
Как я уже говорил, частота процессора выше в несколько раз частоты FSB. Такая особенность обусловлена тем, что нет необходимости отправлять все данные прочим компонентам — многие цифры «перевариваются» внутри ЦП, пока не получится итоговый результат, который уже можно переслать в дальнейшую обработку.
Кратность, на которую герцовка ЦП превышает частоту шины, называется множителем. Фактически, можно поднять производительность системы в целом, если поднять герцовку шины FSB, что успешно практикуется многими оверклокерами.
Однако и тут есть некоторые ограничения — сам CPU должен поддерживать такую «фичу». О возможности его разгона свидетельствует буква K в маркировке. Настраивается все это через BIOS или UEFI.
Также для вас будет полезно почитать «Существует ли способ увеличить производительность центрального процессора в компьютере?» и «Что такое ресурс TBW и как он рассчитывается». О том, что такое степпинг CPU и как его узнать, можно почитать здесь.
Что такое шина FSB
Хочу отдельно отметить, что способ как определить, на какой частоте работает шина на системной плате ПК, не зависит от бренда процессора. Измеряется она одинаково у Intel и AMD.
Шина FSB (Front Side Bus) соединяет CPU компьютера с прочими компонентами. Эффективная частота этой шины на порядок меньше, чем тактовая частота ЦП.
Связано это с тем, что прочим компонентам требуются не все данные, обрабатываемые процессором, а только итоговые результаты вычислений.
Благодаря изменениям этого параметра можно повысить производительность системы в целом. При ее увеличении данные передаются на прочие компоненты чаще. Логично, что максимальной эффективности удается добиться при максимальной частоте шины.
Однако такую опцию поддерживают только ЦП с возможностью разгона — те, у которых в маркировке присутствует буква K (речь о компании Intel). Также материнка компьютера должна поддерживать изменение множителя.
Типичный пример — использование навороченного CPU в связке с бюджетной материнкой. Если системная плата не даст разогнать шину, вкладываться в прочие дорогие комплектующие не имеет большего смысла.
Теперь рассмотрим программы, с помощью которых можно узнать интересующую нас характеристику.
Утилита бесплатная, но с англоязычным интерфейсом. После ее запуска переключитесь на вкладку CPU.
В левой части в разделе Clocks найдите строку Bus Speed. Это и есть необходимый параметр.
Быстродействие компьютера
Для функционирования микропроцессора в состав системы каналов связи входит сразу несколько шин. Это шины:

Количество представленных типов системных каналов связи процессора может быть от одного и более. Причем считается, что чем больше шин установлено, тем больше общая производительность компьютера.
Важным показателем, который также затрагивает производительность ПК, является пропускная способность системной шины. Она определяет скорость передачи информации между локальными системами электронно-вычислительной машины. Рассчитать ее довольно просто. Необходимо лишь найти произведение между тактовой частотой и количеством информации, то есть байт, которая передается за один такт. Так, для давно устаревшей шины ISA пропускная способность составит 16 Мбайт/с, для современной шины PCI Express это значение будет находиться на отметке в 533 Мбайт/с.
Виды компьютерных шин

История компьютерной техники насчитывает уже не одно десятилетие. Совместно с развитием новых компонентов разрабатывались и новые типы системных шин. Самым первым таким каналом связи была система ISA. Этот компонент компьютера обеспечивает передачу данных на довольно медленной скорости, но ее достаточно для одновременного функционирования клавиатуры, монитора и некоторых других компонентов.
Несмотря на то что она была изобретена более полувека назад, данная системная шина активно применялась и в настоящее время, уверенно конкурируя с более современными представителями. Это смогло осуществиться благодаря выпуску большого количества расширений, которые увеличивали ее функционал. Лишь в последние годы процессоры стали выпускаться без использования ISA.
Первостепенное деление системных шин

Деление шин основывается на нескольких факторах. Первенствующим показателем является месторасположение. Согласно этому показателю шины бывают:
- Внутренними, которые обеспечивают взаимосвязь внутренних компонентов системного блока, таких как процессор, ОЗУ, материнская плата. Такая системная шина называется еще локальной, так как служит для связи местных устройств.
- Внешними, которые служат для подключения наружных устройств (адаптеров, флеш-накопителей) к материнской плате.
В самом общем случае системной шиной можно назвать любое устройство, которое служит для объединения в одну систему нескольких устройств. Даже сетевые подключения, например, сеть Интернет, в некотором роде является системной шиной.
Центральный процессор
Центральный процессор – устройство, непосредственно осуществляющее процесс обработки данных. Основная задача процессора – это интерпретация команд и рассылка соответствующих управляющих сигналов к другим устройствам. Процессоры в ПЭВМ выполнены в виде одной микросхемы и потому называются такжемикропроцессорами.
Основные характеристики процессора:
-
тактовая частота;
-
длина слова (разрядность);
-
архитектура.
Тактовая частотапроцессора число элементарных операций — тактов, выполняемых в течение одной секунды. В современных ПЭВМ под тактовой частотой понимается внутренняя частота. Обмен данными с внешним миром осуществляется на частоте системной шины, которая всегда меньше внутренней частоты процессора. Тактовая частота грубо характеризует скорость работы процессора.
Длина слова(разрядность процессора) – это максимальное количество разрядов двоичного кода, которые могут передаваться или обрабатываться одновременно за один такт. Все современные микропроцессоры 32 или 64 разрядные.
Пример
Применительно к ПЭВМ понятие «разрядность» включает:
-
разрядность внутренних регистров (внутренняя длина слова);
-
разрядность шины данных (внешняя длина слова);
-
разрядность шины адреса.
Разрядность внутренних регистров определяет формат команд процессора и размер данных, с которыми можно оперировать в командах.
Разрядность шины данных определяет скорость передачи информации между процессором и другими устройствами.
Разрядность шины адреса определяет размер адресного пространства, т.е. максимальное число байтов, к которым можно осуществить доступ. Например, если разрядность шины адреса равна 16, то возможный размер памяти в ЭВМ равен 216=65536 или 65 Кб.
Архитектура процессора – это очень ёмкое понятие, в составе которого можно рассматривать следующие элементы:
-
система команд;
-
способ организации вычислительного процесса;
-
поддержка мультипроцессорности.
Система команд – полный список кодов операций, которые способен выполнять процессор. По составу команд различают: CISC-архитектуру и RISC-архитектуру .
Большинство ЭВМ использует CISC-архитектуру. Основная идеяRISC– так упростить команды процессора, чтобы они могли быть выполнены за один такт. Это позволяет спроектировать очень эффективный конвейер команд.
Набор команд процессора определяет его функциональное назначение, в соответствии с которым различают универсальные и специализированные процессоры.
Универсальный процессор способен реализовать любой алгоритм и используется в качестве центрального процессора. Специализированный процессор служит для решения задач определённого класса. Среди таких сопроцессоров можно выделить математические и графические процессоры.
С системой команд связано такое важное свойство, как совместимость. Два процессора называются совместимыми, если их системы команд одинаковы
Пример
Программу ускорения клавиатуры можно записать в машинном языке:
B8 05 03 BB-00 00 CD 16-CD 20
или в переводе на автокод
B80503 mov ax,00305
BB0000 mov bx,00000
CD16 int 16
CD20 int 20
Данная программа использует систему команд процессора Intel8086 и без изменений может быть перенесена на процессорыIntel80286, 80386, 80486,PentiumI,PentiumII,PentiumIII. Поэтому все эти процессоры называются совместимыми снизу вверх. Сверху вниз эти процессоры несовместимы, так как, например,PentiumIIIимеет команды, которые не поддерживаются процессоромPentiumI.
Для повышения эффективности вычислительного процесса в современных микропроцессорах применяется конвейернаяисуперскалярнаяобработки данных.
Процессор может иметь устройства, которые позволяют использовать его в многопроцессорной конфигурации. Работа в мультипроцессорномрежиме обеспечивается как архитектурой процессора, так и возможностями операционной системы. Например,Windows95 не имеет такой поддержки, аWindowsNTServerподдерживает четыре процессора.
Пример
Архитектура микропроцессора Pentiumимеет следующие особенности:
-
суперскалярная конвейерная архитектура;
-
конвейерное вычисление с плавающей точкой;
-
поддержка мультипроцессорности;
-
повышенная разрядность внешней шины данных.
Разрядность регистров – 32 бит, шины адреса — 32 бит, шины данных — 64 бит. Производительность микропроцессора PentiumIс тактовой частотой 66 МГц оценивается в 112MIPS.
Оценка производительности различных микропроцессоров приведена в табл. 2.3.
Таблица 2.5 Сравнение микропроцессоров
Память эвм и ее характеристики и назначение. Пзу, озу, взу. Организация и физическое представление данных в эвм.
Постоянное и оперативное ЗУ.
ЗУ
в ЭВМ состоят из последовательности
ячеек, каждая из которых содержит
значение 1-ого байта и имеет собственный
номер (адрес), по которому происходит
обращение к ее содержимому. Все данные
в ЭВМ хранятся в двоичном виде (0,1).
ЗУ
характеризуется 2-мя параметрами:
Объем
памяти — размер в байтах, доступных для
хранения информации
Время
Доступа к ячейкам памяти — средний
временной интервал в течении кот.
находится требуемая ячейка памяти и из
нее извлекаются данные.
Оперативное
запоминающее устройство (ОЗУ; RAM
– Random
Access
Memory)
предназначено для оперативной записи,
хранения и чтения информации (программ
и данных), непосредственно участвующей
в информационно-вычислительном процессе,
выполняемом ЭВМ в текущий период времени.
После выключения питания ЭВМ, информация
в ОЗУ уничтожается. (В ЭВМ на базе
процессоров Intel Pentium
используется 32-разрядная адресация.
Т.е число адресов 2 32 ,
то есть возможное адресное пространство
составляет 4,3 Гбайт. время доступа
0,005-0,02 мкс. 1 с = 10 6 мкс.
Постоянное
запоминающее устройство (ПЗУ; ROM
– Read
Only
Memory)
хранит неизменяемую (постоянную)
информацию: программы, выполняемые во
время загрузки системы, и постоянные
параметры ЭВМ. В момент включения ЭВМ
в его ОЗУ отсутствуют данные, так как
ОЗУ не сохраняет данные после выключения
ЭВМ. Но МП необходимы команды, в том
числе и сразу после включения. Поэтому
МП обращается по специальному стартовому
адресу, который ему всегда известен, за
своей первой командой. Этот адрес из
ПЗУ. Основное назначение программ из
ПЗУ состоит в том, чтобы проверить состав
и работоспособность системы и обеспечить
взаимодействие с клавиатурой, монитором,
жесткими и гибкими дисками. Обычно
изменить информацию ПЗУ нельзя. Объем
ПЗУ 128-256 Кбайт, время доступа
0,035-0,1 мкс. Так как объем ПЗУ небольшой,
но время доступа больше, чем у ОЗУ, при
запуске все содержимое ПЗУ считывается
в специально выделенную область ОЗУ.
Энергонезависимая
память CMOS
RAM
(Complementary
Metal-Oxide
Semiconductor
RAM),
в которой хранятся данные об аппаратной
конфигурации ЭВМ: о подключенных к ЭВМ
устройствах и их параметры, параметры
загрузки, пароль на вход в систему,
текущее время и дата. Питание памяти
CMOS
RAM
осуществляется от батарейки. Если заряд
батарейки заканчивается, то настройки,
хранящиеся в памяти CMOS
RAM,
сбрасываются, и ЭВМ использует настройки
по умолчанию.
ПЗУ
и память CMOS
RAM
составляют базовую систему ввода-вывода
(BIOS
– Basic
Input-Output
System).
Внешние
ЗУ. ВЗУ для долговременного хранения и
транспортировки информации. ВЗУ
взаимодействуют с сист. шиной через
контроллеры ВЗУ (КВЗУ). КВЗУ обеспечивают
интерфейс ВЗУ и сист. шины в режиме
прямого доступа к памяти, т.е. без участия
МП. ИНТЕРФЕЙС — это совокупность связей
с унифицированными сигналами и аппаратуры,
предназначенной для обмена данными
между устройствами вычислительной
системы.
ВЗУ
можно разделить по критерию транспортировки
на ПЕРЕНОСНЫЕ и СТАЦИОНАРНЫЕ. Переносные
ВЗУ состоят из носителя, подключ-ого к
порту вв/вывода (обычно ЮСБ), (флеш-память)
или носителя и привода (накопители на
ГМД, приводы СиДи и ДВД). В стационарных
ВЗУ носитель и привод объединены в
единое устройство (НЖМД). Стационарные
ВЗУ предназначены для хранения информации
внутри ЭВМ.
Перед
первым использованием или в случае
сбоев ВЗУ необходимо ОТФОРМАТИРОВАТь
— записать на носитель служебную
информацию.
Основные
Технические Характеристики ВЗУ
Информационная
емкость определяет наибольшее кол-во
ед. данных, кот может одновременно
хранить в ВЗУ (зависит от площади объема
носителя и плотности записи.)
Плотность
записи — число бит информации, записанных
на единице поверхности носителя.
Различают продольную плотность (бит/мм),
и поперечную плотность.//
Время
доступа — интервал времени от момента
запроса (чтения или записи) до момента
выдачи блока (включая время поиска
инфции на носителе и время чтения или
записи.)
Скорость
передачи данных определяет кол-во
данных, считываемых или записываемых
в единицу времени и зависит от скорости
движения носителя, плотности записи,
числа каналов и тп.
| » |
Системная шина: что это такое в информатике
Локальная шина служит для взаимодействия процессора с контроллерами периферийных устройств: накопителей, графического адаптера.
Подключение FSB реализуется по следующей схеме:
- Микропроцессор соединяется с системным контроллером материнской платы, который называют северным мостом.
- В состав северного моста входят: контроллеры ОЗУ, шина высокоскоростных периферийных устройств (видеокарта).
Менее производительное оборудование подключается к южному мосту, который соединяется с северным посредством специальной магистрали – внутренней шины. Объединение южного и северного мостов называют чипсетом.
Получается, системная шина персонального компьютера обеспечивает взаимодействие ЦП и чипсета.
За что отвечает cpu frequency?
Как многим должно быть известно одним из основных параметров любого процессора является его тактовая частота или как ее еще называют операционная частота процессора.
Так вот определяется она двумя показателями — частотой системной шины и множителем.
Так вот cpu frequency это и есть частота системно шины. Также может обозначаться FSB и измеряется в MHz (мегагерцах).
Параметры, определяющие частоту процессора в BIOS
Системная же шина представляет из себя транспортный коридор, соединяющий между собой процессор и все остальные компоненты компьютера. CPU frequency определяется скорость, с которой осуществляется обмен информацией по данной шине.
Данный параметр изменяется в BIOS некоторых моделей материнских плат при разгоне процессора и других компонентов ПК.
неосознанное изменение значения cpu frequency может привести к нестабильной работе компьютера и даже к невозможности включения.
Если вы случайно изменили cpu frequency и теперь компьютер работает неправильно или не работает вообще, то достаточно сбросить настройки BIOS и значение данного параметра вернется к заводскому.
Как разогнать системную плату P35 Platinum? (1)
Меню BIOS системной платы P35 Platinum. Все функции, связанные с производительностью, за исключением peripherals (периферия), system time (время), power management(управление электропинанием), находятся в “Cell Menu”. Пользователи, желающие настроить частоту процессора, памяти, или других устройств (например, шины графической карты и южного моста) могут воспользоваться этим меню.

Помните, что если вы не знакомы с насторойками BIOS, для быстрого завершения всех настроек рекомендуется выполнить пункт “Load Optimized Defaults” (загрузить оптимальные настройки), что обеспечит нормальную работу системы. Перед выполнением разгона мы рекомендуем пользователям вначале выполнить этот пункт, а затем производить тонкие настройки.

Внимание: Очень важно сохранять стабильность во время установки операционной системы (ОС). Любая незначительная ошибка может повлечь за собой потерю стабильности ОС
Поэтому мы настоятельно рекомендуем загрузить настройки по умолчанию перед установкой ОС
Влияние на производительность компьютера
Частота процессора
Частоты, на которых работают центральный процессор и FSB, имеют общую опорную частоту, и в конечном счёте определяются, исходя из их коэффициентов умножения (частота устройства = опорная частота * коэффициент умножения).
Память
Следует выделить два случая:
Контроллер памяти в системном контроллере
До определённого момента в развитии компьютеров частота работы памяти совпадала с частотой FSB. Это, в частности, касалось чипсетов на сокете LGA 775, начиная с 945GC и вплоть до X48.
Основная статья: Список чипсетов Intel
То же касалось и чипсетов NVIDIA для платформы LGA 775 (NVIDIA GeForce 9400, NVIDIA nForce4 SLI/SLI Ultra и др.)
Основная статья: Сравнение чипсетов Nvidia Основная статья: nForce 700 Основная статья: nForce 600
Спецификации стандартов системной шины чипсетов на сокете LGA 775 и оперативной памяти DDR3 SDRAM
| Стандартное название | Частота памяти, МГц | Время цикла, нс | Частота шины, МГц | Эффективная (удвоенная) скорость, млн. передач/с | Название модуля | Пиковая скорость передачи данных при 64-битной шине данных в одноканальном режиме, МБ/с |
|---|---|---|---|---|---|---|
| DDR3‑800 | 100 | 10,00 | 400 | 800 | PC3‑6400 | 6400 |
| DDR3‑1066 | 133 | 7,50 | 533 | 1066 | PC3‑8500 | 8533 |
| DDR3‑1333 | 166 | 6,00 | 667 | 1333 | PC3‑10600 | 10667 |
| DDR3‑1600 | 200 | 5,00 | 800 | 1600 | PC3‑12800 | 12800 |
| DDR3‑1866 (O.C.) | 233 (O.C.) | 4,29 (O.C.) | 933 (O.C.) | 1866 (O.C.) | PC3‑14900 (O.C.) | 14933 (O.C.) |
O.C. — в режиме overclocking (разгона)
Поскольку процессор работает с памятью через FSB, то производительность FSB является одним из важнейших параметров такой системы.
На современных персональных компьютерах, начиная с сокета LGA 1366 частоты компьютерной шины, которая называется QuickPath Interconnect, и шины памяти могут различаться.
Периферийные шины
Существуют системы, преимущественно старые, где FSB и периферийные шины ISA, PCI, AGP имеют общую опорную частоту, и попытка изменения частоты FSB не посредством её коэффициента умножения, а посредством изменения опорной частоты приведёт к изменению частот периферийных шин, и даже внешних интерфейсов, таких как Parallel ATA. На других системах, преимущественно новых, частоты периферийных шин не зависят от частоты FSB.
В системах с высокой интеграцией контроллеры памяти и периферийных шин могут быть встроены в процессор, и сама FSB в таких процессорах отсутствует принципиально. К таким системам можно отнести, например, платформу Intel LGA1156.
Как определить режим работы SATA жёсткого диска







Друзья, запустим тест нашего SSD подключенного к высокоскоростному порту SATA 3.0 (6 Гбит/с) SSD в программе AS SSD Benchmark, затем подключим его к порту SATA 2.0 (3 Гбит/с) и тоже проведём тест, затем сравним результат.
1. Тест последовательного чтения и записи;
2. Тест случайного чтения и записи к 4 Кб блоков;
3. Тест случайного чтения и записи 4 Кб блоков (глубина очереди = 64);
4. Тест измерения времени доступа чтения и записи;
Итоговый результат, запомним его.

В каком режиме будет работать жёсткий диск или твердотельный накопитель SSD новейшего интерфейса SATA III ( 6 Гбит/с), если его подсоединить к разъёму SATA II ( 3 Гбит/с)

Но вот ещё интересный вопрос, с какой скоростью работает наш SSD? Запускаем утилиту AS SSD Benchmark и проводим тест случайного и последовательного чтения, результат красноречив, скорость последовательного чтения и записи 265 МБ/с (чтение), 126 МБ/с (запись).
Скорость намного меньше, чем если бы наш твердотельный накопитель был бы подключен к высокоскоростному порту на материнской плате SATA 3.0 (6 Гбит/с)!
Системная шина — что это?
Здравствуйте, уважаемые читатели блога Pc-information-guide.ru. Очень часто на просторах интернета можно встретить много всякой компьютерной терминологии, в частности — такое понятие, как «Системная шина». Но мало кто знает, что именно означает этот компьютерный термин. Думаю, сегодняшняя статья поможет внести ясность.

Системная шина (магистраль) включает в себя шину данных, адреса и управления. По каждой их них передается своя информация: по шине данных — данные, адреса — соответственно, адрес (устройств и ячеек памяти), управления — управляющие сигналы для устройств. Но мы сейчас не будем углубляться в дебри теории организации архитектуры компьютера, оставим это студентам ВУЗов. Физически магистраль представлена в виде многочисленных дорожек (контактов) на материнской плате.
Я не случайно на фотографии к этой статье указал на надпись «FSB». Дело в том, что за соединение процессора с чипсетом отвечает как раз шина FSB, которая расшифровывается как «Front-side bus» — то есть «передняя» или «системная». И ее частота является важным параметром, на который обычно ориентируются при разгоне процессора, например.
Существует несколько разновидностей шины FSB, например, на материнских платах с процессорами Intel шина FSB обычно имеет разновидность QPB, в которой данные передаются 4 раза за один такт. Если речь идет о процессорах AMD, то там данные передаются 2 раза за такт, а разновидность шины имеет название EV6. А в последних моделях CPU AMD, так и вовсе — нет FSB, ее роль выполняет новейшая HyperTransport.
Итак, между чипсетом и центральным процессором данные передаются с частотой, превышающей частоту шины FSB в 4 раза. Почему только в 4 раза, см. абзац выше. Получается, если на коробке указано 1600 МГц (эффективная частота), в реальности частота будет составлять 400 МГц (фактическая)
В дальнейшем, когда речь пойдет о разгоне процессора (в следующих статьях), вы узнаете, почему необходимо обращать внимание на этот параметр. А пока просто запомните, чем больше значение частоты, тем лучше
Кстати, надпись «O.C.» означает, буквально «разгон», это сокращение от англ. Overclock, то есть это предельно возможная частота системной шины, которую поддерживает материнская плата. Системная шина может спокойно функционировать и на частоте, существенно ниже той, что указана на упаковке, но никак не выше нее.
Вторым параметром, характеризующим системную шину, является пропускная способность. Это то количество информации (данных), которая она может пропустить через себя за одну секунду. Она измеряется в Бит/с. Пропускную способность можно самостоятельно рассчитать по очень простой формуле: частоту шины (FSB) * разрядность шины. Про первый множитель вы уже знаете, второй множитель соответствует разрядности процессора — помните, x64, x86(32)? Все современные процессоры уже имеют разрядность 64 бита.
Итак, подставляем наши данные в формулу, в итоге получается: 1600 * 64 = 102 400 МБит/с = 100 ГБит/с = 12,5 ГБайт/с. Такова пропускная способность магистрали между чипсетом и процессором, а точнее, между северным мостом и процессором. То есть системная, FSB, процессорная шины — все это синонимы. Все разъемы материнской платы — видеокарта, жесткий диск, оперативная память «общаются» между собой только через магистрали. Но FSB не единственная на материнской плате, хотя и самая главная, безусловно.

Как видно из рисунка, Front-side bus (самая жирная линия) по-сути соединяет только процессор и чипсет, а уже от чипсета идет несколько разных шин в других направлениях: PCI, видеоадаптера, ОЗУ, USB. И совсем не факт, что рабочие частоты этих подшин должны быть равны или кратны частоте FSB, нет, они могут быть абсолютно разные. Однако, в современных процессорах часто контроллер ОЗУ перемещается из северного моста в сам процессор, в таком случае получается, что отдельной магистрали ОЗУ как бы не существует, все данные между процессором и оперативной памятью передаются по FSB напрямую с частотой, равной частоте FSB.
Пока что это все, спасибо.





























